Тензодатчик Keli UDA 50-750 kg
Код товару:
UDA 50-750 kg
Наявність:
В наявності
Ціна :
2 000,00 грн./шт
2000
UAH
В наявності
Кількість:
Бренд:
Keli
Опис товару
Тензодатчик для товарных, фасовочных весов, упаковочного и дозирующего оборудования
UDА (алюминиевый сплав, С3, качество Normal, IP65, рекомендованный размер платформы 600х600мм)
Материал: алюминий
Применение: платформенные весы
ехнические характеристики:
| Наибольший предел измерения (НПИ), kg | 50, 60, 75, 100, 150, 200, 250, 300, 350, 500, 600, 635, 750, 800, 1000 |
| Рабочий коэффициент передачи (РКП), мВ/В | 2.0±0.2% |
| Класс точности | С3 |
| Погрешность, % от РКП | ±0,03% |
| Ползучесть (30мин), % от РКП | ±0,03% |
| Баланс ноля, % | ±3 |
| Температурное отклонение чувствительности | ±0.03%/10°C |
| Температурное отклонение ноля | ±0.03%/10°C |
| Входное сопротивление, Ом | 404±15 |
| Выходное сопротивление, Ом | 350±3 |
| Сопротивление изоляции, ГОм | ≥2000 |
| Диапазон термокомпенсации, °С | -10 - 40 |
| Рабочий диапазон температур, °С | -20 ~ 50 |
| Предельно допустимая нагрузка, % от НПИ | 150 |
| Разрушающая нагрузка, % от НПИ | 300 |
| Рекомендуемое напряжение питания, В | 10 |
| Максимальное напряжение питания, В | 15 |
| Класс защиты | IP65 |
| Материал корпуса | Алюминий |
| Длина кабеля, м | 1.8 |
| Диаметр кабеля, мм | 5 |
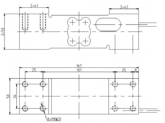
Габаритные размеры, мм

Схема подключения
4-х проводная схема:Питание (+) Красный; Питание (-) Черный; Сигнал (+) Зеленый;Сигнал (-) Белый
6-ти проводная схема:Питание (+) Синий; Питание (-) Черный; Сигнал (+) Белый; Сигнал(-) Красный; Сенсор (+) Зеленый; Сенсор (-) Серый
Оплата та доставка
Варіанти доставки
- Новая Почта
- Повернення і обмін Відповідно до закону України «про захист прав споживачів» ви можете протягом 14 днів з моменту покупки повернути або обміняти товар, придбаний в магазині, за умови виконання всіх норм передбачених законом. Умови обміну / повернення товару належної якості стаття 9. Відповідно до закону України «про захист прав споживачів»: споживач має право обміняти непродовольчий товар належної якості на аналогічний у продавця, у якого він був придбаний, якщо товар не задовольнив його за формою, габаритами, фасоном, кольором, розміром або з інших причин не може бути ним використаний за призначенням. Споживач має право на обмін товару належної якості протягом чотирнадцяти днів, не рахуючи дня покупки. споживач (термін вживається в такому значенні згідно статті 1. п.22 закону України «про захист прав споживачів») – фізична особа, яка купує, замовляє, використовує або має намір придбати чи замовити продукцію для особистих потреб, не пов’язаних з підприємницькою діяльністю або виконанням обов’язків найманого працівника. обмін або повернення товару належної якості провадиться: якщо не використовувався; якщо збережено його товарний вигляд, споживчі властивості, пломби, ярлики; на підставі розрахунковий документ, виданий споживачеві разом з проданим товаром. умови обміну / повернення товару неналежної якості стаття 8. Згідно із законом України «про захист прав споживачів»: в разі виявлення протягом встановленого гарантійного строку недоліків споживач, в порядку та в строки, встановлені законодавством, має право вимагати безоплатного усунення недоліків товару в розумний строк. вимоги споживача, передбачених цією статтею, не підлягають задоволенню, якщо продавець, виробник (підприємство, що задовольняє вимоги споживача, встановлені частиною першою цієї статті) доведуть, що недоліки товару виникли внаслідок порушення споживачем правил користування товаром або його зберігання. Споживач має право брати участь у перевірці якості товару особисто або через свого представника.
Варіанти оплати
- Наличный расчёт
- Безналичный расчёт
- Наложенный платеж